图文详解混合型三相不平衡治理装置的工作原理
三相不平衡产生的原因:
正常性的电压不平衡一般由供电环节的不平衡和用电环节的不平衡共同造成。供电环节即发、输、变、配电环节,其中所涉及的三相组件均可导致电压不平衡;用电环节的不平衡主要由系统中的各类不平衡负荷引起,如电铁、电弧炉以及家用单相负荷等。电力系统中单相负荷在各相之间的分布不均匀以及不对称传输线路的不完全换相是电压不平衡产生的两个主要因素。
三相不平衡的危害:
当电力系统处于三相不平衡运行状态时,电压和电流中所含的负序分量将对电气设备产生诸多不良影响,如引起电动机的附加发热、降低电动机效率;使变压器局部过热,缩短绝缘寿命;增加输电线路的附加功率损耗、降低电力系统运输的经济性等;另外,负序分量变大还可导致电力系统的保护和自动装置误动作,威胁电力系统的安全运行 。
混合型三相不平衡治理装置的作用:
混合型三相不平衡治理装置是一种有源型补偿装置,是采用现代电力电子器件构成电流源型装置,从机理上避免了由传统电容元器件带来的谐振现象,更稳定、安全。不产生谐波,不造成二次电网污染双向分相电压补偿,提升电压质量。采用先进的电力电子技术及数据处理技术,自动检测电网系统中各相电流的变化,实时计算并发出所需补偿电流,以使电网迅速达到平衡状态。整个过程由设备自动完成,无需人为操作,大大节省了由于操作传统补偿设备而消耗掉的人力成本。主要用于低压配电用户,治理三相电流不平衡,相电压偏低和补偿无功,优化电能质量。同时补偿三相不平衡电流和无功,实现连续、动态补偿。可全面改善台区电能质量,具体如下:
1.解决配电网三相不平衡问题,降低线路损耗;
2.稳定三相电压,提高供电质量,改善用电环境;
3.解决变压器单相过载问题,提高变压器运行寿命;
4.无功平衡,提高配电网有效输出容量。

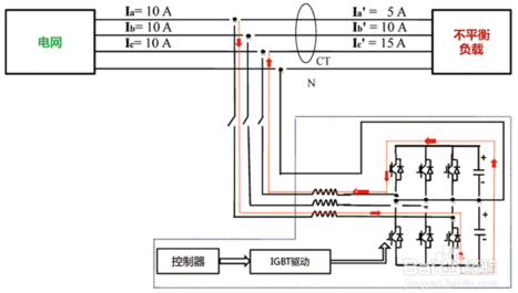
装置三相不平衡补偿原理:
主要是通过外接电流互感器实时检测系统电流,并将系统电流信息发送给内部控制器进行处理分析,以判断系统是否处于不平衡状态,同时计算出达到平衡状态时各相所需转换的电流值,然后将信号发送给内部IGBT并驱动其动作,将不平衡电流从电流大的相转移到电流小的相,最后达到三相平衡状态。

三相不平衡治理流程
装置无功补偿原理:
三相不平衡治理装置开启后通过外部电流互感器,实时检测负载电流,并通过内部计算来分析负载电流的无功含量,然后根据设置值来控制信号发生器发出控制信号给内部IGBT使逆变器产生满足要求的无功补偿电流,最终实现动态无功补偿的目的。

混合型三相不平衡治理装置的无功补偿原理
三相不平衡治理装置具有多重保护,可以适应各种恶劣的环境,比如:过压保护、欠压保护、过流保护、短路保护,低压防雷、漏电保护,IP防护等级。





