对于vs1-12侧装式户内真空断路器的介绍
VS1-12型侧装式真空断路器采用固定式安装,其中的侧装式是指安装在主产品的侧面,在整个系统的运行与检修上,更加的方便,灵活。主
要用于固定式开关柜,该断路器既可单独使用,又可用于环网供电、箱式变或各种非标供电系统。
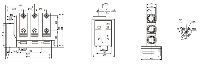
常见的外形及安装尺寸图如下:

侧装式真空断路器的优点:
结构特点:
1、结构上采用侧装断路器减少开关柜宽度和深度,实现开关柜小型化。同时采用透明的断路器触头盒和观察窗,断路器触头等重点位置可观测。
2、触头开距小,10KV真空断路器的触头开距只有10mm左右,操作机构的操作功就小,机械部分行程小,其机械寿命就长。
3、体积小、重量轻。
性能特点:
1、燃弧时间短,且与开关电流大小无关,一般只有半周波。
2、熄弧后触头间隙介质恢复速度快,对开断近区故障性能较好。
3、由于疏通在开断电流时磨损量较小,所以触头的电气寿命长,满容量开断达30-50次,额定电流开断达5000次以上,噪音小适于频繁操作。
4、适用于开断容性负荷电流。
本文来源:上海上硕电气有限公司 http://www.gyzkdlq.com/
【版权与免责声明】如发现内容存在版权问题,烦请提供相关信息发邮件至 kefu@2898.com ,我们将及时沟通与处理。
本站内容除了2898站长资源平台( www.2898.com )原创外,其它均为网友转载内容,涉及言论、版权与本站无关。





